中关村在线

首页 排行 新品 问答 下载 论坛 手机 笔记本 数码相机 主板 显卡 平板电脑 更多

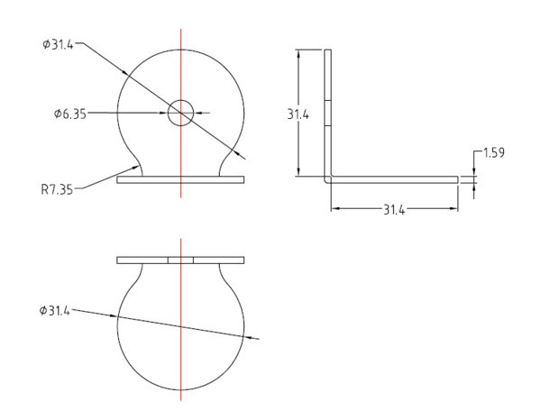
大神,请问下面的图形肿么用CAD画成三维的。求帮忙!!!

举报

讨论回答 (8)
van110
kac1314
yinshengjun04211
zsb2002cn
caicai554
w378115408
13451976535Q
shuangzi56789
展开查看全部 8 条讨论
相关问题

电脑开机一直显示这些英文开不了机,怎么办,急急急啊,各位大神求帮忙

14.2万 浏览 43 回答

为什么玩上古卷轴5时,HD7870交火后显卡使用率降了一半(45%)? 导致帧率和单卡一样了。求大神指点!!

5.7万 浏览 25 回答

24年5月装机必看的10大神U

2万 浏览 17 回答

给初中生买平板电脑,各位大神推荐一款 谢谢。

1381 浏览 15 回答

电脑大神们选电脑主要看什么?

635 浏览 15 回答

扩展阅读

REDMI Turbo 5 Max深度评测:直接上 “Max”的底气来自哪里?

评论 29

REDMI Turbo 5 Max深度评测:直接上 “Max”的底气来自哪里?

荣耀Magic8 RSR长焦增距镜实测:5400mm长焦巨炮体验如何?

评论 19

荣耀Magic8 RSR长焦增距镜实测:5400mm长焦巨炮体验如何?

从药丸到独眼 人人都说好的Face ID为什么难普及?

评论 11

从药丸到独眼 人人都说好的Face ID为什么难普及?

三星 Galaxy Z TriFold 评测:三折叠的新路线,生产力的再飞跃

评论 46

三星 Galaxy Z TriFold 评测:三折叠的新路线,生产力的再飞跃

拆电脑偷内存条,为何如今内存价格如此离谱?

评论 79

拆电脑偷内存条,为何如今内存价格如此离谱?
热门问题

平凡的荣耀父亲给女儿出气是第几集啊

1838 浏览 4 回答

平凡的荣耀父亲给女儿出气是第几集啊

电子发票代码在哪里看

5983 浏览 6 回答

电子发票代码在哪里看

拼多多的客户服务电话是多少啊?

3213 浏览 6 回答

拼多多的客户服务电话是多少啊?

军舰、潜艇等的航速用“节”来表明,一节到底有多大,折算成千米是多少?

1624 浏览 4 回答

军舰、潜艇等的航速用“节”来表明,一节到底有多大,折算成千米是多少?

华为手机有几个档次 最好 中等 下等 分别是好不好的 怎么一看就清楚的

9721 浏览 4 回答

华为手机有几个档次 最好 中等 下等 分别是好不好的 怎么一看就清楚的

新的手机剩余多少电量时充电合适

1965 浏览 4 回答

新的手机剩余多少电量时充电合适

用自己本人的相片做微信头像真的好吗?会不会泄露个人隐私?

3656 浏览 4 回答

用自己本人的相片做微信头像真的好吗?会不会泄露个人隐私?

中国体育彩票怎么样兑奖

8174 浏览 6 回答

中国体育彩票怎么样兑奖

如何设置ppt一级二级三级内容

1264 浏览 5 回答

如何设置ppt一级二级三级内容

未来十年有望翻十倍的股票有哪些?

3381 浏览 6 回答

未来十年有望翻十倍的股票有哪些?
最新问答

电脑界面图标有白块,怎么去掉?

9352 浏览 6 回答

电脑界面图标有白块,怎么去掉?

在Word设置表格外框线为1.5磅绿色单实线,其中1.5磅值怎样设置?

2576 浏览 4 回答

在Word设置表格外框线为1.5磅绿色单实线,其中1.5磅值怎样设置?

cad墙线不能娘督也包闭合?

7185 浏览 5 回答

cad墙线不能娘督也包闭合?

jlh- an00是什么意思?

5380 浏览 4 回答

jlh- an00是什么意思?

婚姻长久,守住边界

4653 浏览 2 回答

婚姻长久,守住边界
举报
举报成功

经过核实后将会做出处理,感谢您为社区和谐做出贡献。

请选择删除原因
删除成功
确定推荐该回答?
推荐成功

更多频道

频道导航
辅助工具